带槽指示蝶阀
产品类别:
产品详情
———
带指示功能的沟槽蝶阀
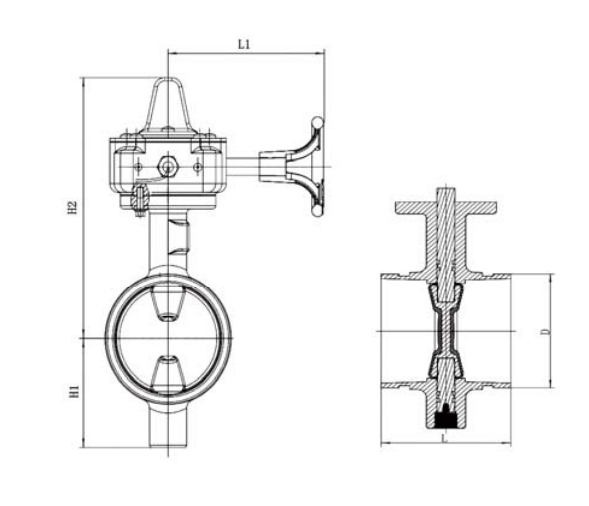
蝶阀 是一种四分之一周转阀,当阀板旋转四分之一周以隔离或调节流量时,阀门完全打开或关闭,可快速关闭。 蝶阀 通常比较受欢迎,因为它比其他阀门设计成本更低,而且由于重量较轻,需要的支撑也更少。
阀门的指示功能是指一个视觉指示器,显示阀门的位置(打开或关闭)。该指示器通常是一个彩色圆盘或一个与阀体上的标记对齐的箭头,清晰地指示阀门的状态。
蝶阀机构由一个中心带有枢轴的阀板组成,该阀板旋转以控制流量。当阀门完全打开时,阀板平行于流动方向,允许最大水流通过阀门。当阀门关闭时,阀板垂直于流动方向,阻止水的通过。
带指示功能的沟槽蝶阀通常用于消防系统,例如消防洒水系统和消防水带卷盘组件。沟槽连接系统允许轻松集成到沟槽管道系统中,指示功能可清晰地显示阀门的位置,以便进行维护和检查。
总的来说,带指示功能的沟槽蝶阀效率高、可靠性好,由于其易于安装、耐用且具有阀门状态的视觉指示,因此广泛应用于消防应用中。

———
主要部件及材质(规格)
阀体:球墨铸铁
阀板:球墨铸铁
蜗轮:球墨铸铁或碳钢
阀杆:SS431
信号齿轮箱:箱体/盖(球墨铸铁)
手轮:球墨铸铁
水压试验:450psi
温度:0℃~100℃
工作压力:300 psi
表面:环氧涂层,RAL3000

——
我们为客户服务超过30年——因此我们拥有丰富的知识和行业经验,可以帮助您做出正确的选择。专业的技术支持,贴心的服务体验我们拥有一支专业的技术支持团队,随时为您提供产品咨询、安装指导和售后服务。
让盛丰消防的专业人员帮助您选择满足您特定需求的产品。
欢迎垂询!
相关产品
立即咨询
如果您对我们公司有任何建议或反馈,请在本页填写相关信息并提交。工作人员会及时与您联系,或者请直接致电我们。
在线留言
如果您对我们公司有任何建议或反馈,请在本页填写相关信息并提交。工作人员会及时与您联系,或者请直接致电我们。